yil
  Anasayfa   |   İletişim
Anasayfa Hakkımızda Ürünler Referanslar Sertifikalar Kataloglar İletişim

25 KVA VOLTAJ REGÜLATÖRÜ

ürünlerürünler

 

25 KVA MONOFAZE SERVO VOLTAJ REGÜLATÖRÜ

servo voltaj regülatörü

Monofaze 25 kva servo voltaj regülatörleri mekanik ve elektronik aksam ile birleştirilmiş voltaj sabitleyicilerdir şehir şebeke giriş voltajını her faz bağımsız olarak ölçüm yaparak mekaniksel parça olan varyak ile trafo arasındaki ortantı ile çıkışlarına regüleli voltaj vermektedirler. Genellikle atölyelerde ve evlerde tercih edilen bu regülatörler şehir şebeke giriş voltajını ve regülatör çıkış voltajını ekranlarında göstermektedirler.

Regülatör

 

GİRİŞ VOLTAJI
160-250 VAC
ÇIKIŞ VOLTAJI
220 +/-2
GİRİŞ FREKANS
50-60 HZ
ÇIKIŞ FREKANS
50-60 HZ
GÖSTERGE
2X DIGIT
MİKROİŞLEMCİ
ÖLÇÜM TEKNİĞİ
TRUE-RMS
TAM YÜKTE VERİM
>98
RENK
GRİ/BEYAZ
TRAFO
BAKIR
HIZ
90V/S
GÜÇ
DER
YÜK
EN
1 KVA
42
24
33
23
2 KVA
42
24
33
25
3.5 KVA
34
27
45
35
5 KVA
34
27
45
42
7.5 KVA
36
27
53
49
10 KVA
36
27
53
57
15 KVA
42
29
55
70
20 KVA
54
85
60
125
25 KVA
54
85
60
155
Monofaze servo voltaj regülatörleri şehir şebekesinden almış oldukları alternatif akım enerjisini içerisindeki tranformatör ve varyak aracılığı ile elektrikli eşyaların calışma voltaj gerilim ayar sahası olan 220 volt seviyesinde sabit tutmaktadır, Mekanik ve elektronik bir yapıya sahip olan bu cihazlar distorsiyon içermezler ürünlerimizde kullanılan transformatörlerde kullanılan emaye teller bakır sargılı regülatör imalatımız yoktur. Bütün ürünlerimiz mikroişlemci yapıya sahiptir ve arge tesisimizde üretilmektedir, Rakip firmalara yanısıra ürünlerimizin bir çok avantajı bulunmaktadır, şehir şebekesinden piyasadaki ürünlere göre daha tasarrufludur ve hızlıdır. Monofaze servo voltaj regülatörü güçleri ölçüleri ve ağırlıkları yukarıdakii tabloda bulunmaktadır saygılarımızla.
ikon3 Kva Voltaj Regülatörü Mikroişlemci kontrollü, Giriş ve çıkış voltajları tek ekranda görülebilir.
ikon6 Kva Voltaj Regülatörü Mikroişlemci kontrollü, Giriş ve çıkış voltajları tek ekranda görülebilir.
ikon10.5 Kva Voltaj Regülatörü Mikroişlemci kontrollü, Giriş ve çıkış voltajları tek ekranda görülebilir.
ikon22.5 Kva Voltaj Regülatörü Mikroişlemci kontrollü, Giriş ve çıkış voltajları tek ekranda görülebilir.
ikon30 Kva Voltaj Regülatörü Mikroişlemci kontrollü, Giriş ve çıkış voltajları tek ekranda görülebilir.
ikon45 Kva Voltaj Regülatörü Mikroişlemci kontrollü, Giriş ve çıkış voltajları tek ekranda görülebilir.
ikon60 Kva Voltaj Regülatörü Mikroişlemci kontrollü, Giriş ve çıkış voltajları tek ekranda görülebilir.
ikon75 Kva Voltaj Regülatörü Mikroişlemci kontrollü, Giriş ve çıkış voltajları tek ekranda görülebilir.
ikon100 Kva Voltaj Regülatörü Mikroişlemci kontrollü, Giriş ve çıkış voltajları tek ekranda görülebilir.

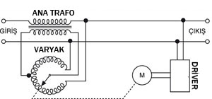
25 KVA MONOFAZE REGÜLATÖR ÇALIŞMA PRENSİP ŞEMASI

regülatör prensip şeması

Monofaze 25 kva servo voltaj regülatörü calışma prensibi şehir şebekesinden gelen alternatif akım faz gerilimi ana trafo sekonder (ikinci sargı) üzeriden seri olarak geçmekte ve direk çıkışa aktarılmaktadır, nötr ise sistemden izole olarak direk olarak çıkışa gitmektedir ayarlı transformatör olan varyak potansiyometre gibi düşünecek olursak transformatörün primer (ilk sargı) sargısını ayarlamakta ve çıkıştaki gerilimdeğerini stabilize bir halde tutmaktadır, varyak (reosta) kontrol eden sürücü ünitesi ile şehir şebekesi gerilimini true rms yöntemi ve zero-crossing mantığı ile sürekli senkronize bir halde ölçüm yaparak çıkıştaki ve girişteki voltaj değerlerini ve şebeke sinüs geriliminin tepe değerlerini baz alarak çıkış ac voltaj değerini stabilize bir halde tutmaktadır.

25 kva servo voltaj regülatörü

 
regülatör
Hakkımızda
 
- Hakkımızda
- Vizyon & Misyon
- Neden DNS
 
 
- Ürünler
- Kariyer
- İletişim
Katagoriler
 
- Voltaj regülatörü
- Akü şarj redresörü
- Galvano redresör
 
 
- Statik voltaj regülatörü
- Trafo imalatı
- Kombi regülatörü
         © DNS ELECTRIC COMPANY